login
join
ADMIN
online shopping
¼îÇθô ¹Ù·Î°¡±â
Àå¹Ù±¸´Ï
»óǰ¹®ÀÇ
»óǰÈıâ
´Ù¸¥ µðÀÚÀÎ »ìÆìº¸±â
±âº»Çü
A ŸÀÔ
B ŸÀÔ
C ŸÀÔ
D ŸÀÔ
E ŸÀÔ
ȸ»çÇöȲ
Àλ縻
ȸ»ç°³¿ä
ȸ»ç¿¬Çõ
»ê¾÷Àç»ê±Ç
¿À½Ã´Â±æ
»ç¾÷ºÐ¾ß
Á¶¸³¶óÀÎ ÀÚµ¿È ½Ã½ºÅÛ
·Îº¿Àû¿ë ÀÚµ¿È ½Ã½ºÅÛ
½ÃÇè°Ë»ç ÀÚµ¿È ½Ã½ºÅÛ
³ª»çü°á ÀÚµ¿È ½Ã½ºÅÛ
Çù¾÷(Çùµ¿) ·Îº¿
°í°´Áö¿ø
ÀÚ·á½Ç
Q & A
Ä¿¹Â´ÏƼ
°øÁö»çÇ×
°¶·¯¸®
°í°´Áö¿ø > ÀÚ·á½Ç
°í°´Áö¿ø
ÀÚ·á½Ç
Q & A
ÀÚ·á½Ç
Á¦¸ñ
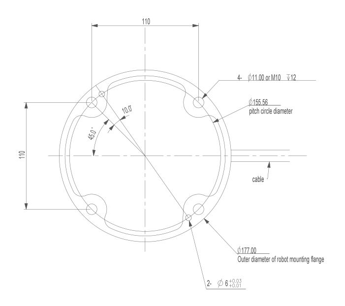
TM5 Series – Robot Base¡¯s Locking Surface 2D Figure File
ÀÛ¼ºÀÚ
ÀÛ¼ºÀÏÀÚ
2018-05-03
÷ºÎÆÄÀÏ
TM5_Mounting.pdf